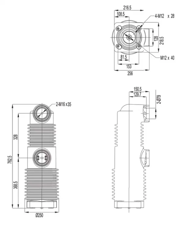
Aierway 40.5KV Center Distance 328mm

The Aierway 40.5KV Center Distance 328mm is an advanced, compact vacuum circuit breaker engineered for medium-voltage power distribution systems where space optimization and high reliability are critical. Designed with an optimized phase-to-phase distance of 328mm, this breaker delivers full 40.5kV performance in a significantly reduced footprint, making it ideal for modern switchgear applications requiring high density and superior electrical performance.

描述

Product introduction

The Aierway 40.5KV Center Distance 328mm is an advanced, compact vacuum circuit breaker engineered for medium-voltage power distribution systems where space optimization and high reliability are critical. Designed with an optimized phase-to-phase distance of 328mm, this breaker delivers full 40.5kV performance in a significantly reduced footprint, making it ideal for modern switchgear applications requiring high density and superior electrical performance.

Key Features & Technical Advantages 

1.40.5KV Rated Voltage with Robust Performance
-Fully compliant with international standards (IEC 62271-100, ANSI, GB) for 40.5kV/35kV systems.
-Suitable for primary distribution networks, industrial plants, and infrastructure projects requiring reliable medium-voltage protection.

2. Versatile Configuration Options
-Mounting Types:** Available in both fixed and withdrawable (draw-out) versions.
-Current Ratings:** Typically offered in 1250A, 1600A, 2000A, 2500A, and 3150A frames.
-Breaking Capacity:** Standard ratings of 25kA, 31.5kA, and 40kA to match various system requirements.
-Operating Mechanism:** Spring-operated mechanism (motor charged) for reliable, consistent operation.

Main Technical Parameters

Specification Value
Rated Voltage 40.5kV
Rated Current 2000A、2500A
Power Frequency Withstand 95kV
Lightning Impulse Withstand 185kV
Rated Frequency 50Hz
Rated Short-Circuit Breaking Current 31.5kA
Rated short circuit Breaking Times 30Times
Rated Peak Withstand Current 80kA
Rated Single Capacitor Bank Breaking Current 630A
Rated Back-to-Back Capacitor Bank Breaking Current 400A
Loop Resistance under Rated Contact Force ≤25 ~ 30Ω
Contact Self-Closing Force 200±60N
Parameters of Matching Vacuum Switch
Specification Value
Contact Opening Distance 20±1mm
Rated Over-Travel 5±1mm
Average Opening Speed 1.7±0.2m/s
Average Closing Speed 0.75±0.2m/s
Rated Contact Force 3600±200N
Contact Closing Bounce Time ≤3ms
Opening Contact Rebound Amplitude ≤2mm