Product introduction
The Aierway HXGN-12 is a compact, fixed-assembly, metal-enclosed air-insulated switchgear designed for indoor AC three-phase power distribution systems. It is a reliable and economical solution for receiving and distributing electrical energy in secondary distribution networks, with rated voltages up to 12kV.
Key Features
1. Safe & Reliable Operation:It utilizes SF6 gas as the arc-extinguishing and insulating medium for the load break switches and vacuum for circuit breakers (in certain configurations), ensuring reliable interruption and enhanced safety. The fully enclosed metal enclosure (IP2X or higher) provides protection against accidental contact with live parts and ingress of solid foreign objects.
2. High Performance: Rated for systems up to 12kV, with standard rated currents typically ranging from 630A to 1250A. It offers strong short-circuit withstand capabilities and is suitable for various cable connection schemes.
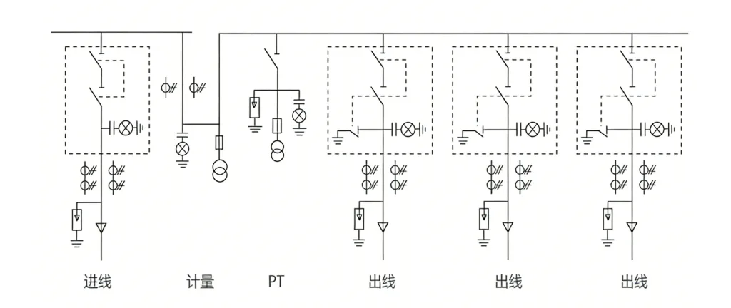
3. Flexible Configuration:Can be configured with different combinations of functional units, such as circuit breaker, load break switch, fuse-switch combinations, metering, and protection modules, to meet specific application requirements for power supply, distribution, and motor control.
4. Wide Application:** Extensively used in power distribution systems of high-rise buildings, residential complexes, hospitals, shopping malls, airports, industrial parks, mining enterprises, and as the receiving and distributing unit for small power substations (e.g., 10kV/0.4kV transformer protection and control).
5.Flexible Configuration: Can be configured with different combinations of functional units, such as circuit breaker, load break switch, fuse-switch combinations, metering, and protection modules, to meet specific application requirements for power supply, distribution, and motor control.
Technical data table
| No. | Parameter Name | Technical Specification |
|---|---|---|
| 1 | Rated Voltage | 12kV |
| 2 | 1min Power Frequency Withstand Voltage | 42kV |
| 3 | Lightning Impulse Withstand Voltage | 75/85kV |
| 4 | Rated Current | 630-1250A (Feeder) |
| 5 | Rated Frequency | 50/60Hz |
| 6 | Rated Short-circuit Breaking Current | 25kA/31.5kA |
| 7 | Rated Short-time Withstand Current | 25kA/31.5kA |
| 8 | Rated Peak Withstand Current | 50kA/63kA |
| 9 | Rated Short-circuit Current Breaking Times | 30 |
| 10 | Mechanical Life | 10000 operations (Circuit Breaker) |
| 11 | Auxiliary Circuit Power Frequency Withstand Voltage | 2000V 630-1250A (Incoming line, 3000 operations (Isolating Switch/Earthing Switch), 100000 operations (Circuit Breaker)) |





