Product introduction
The AIERWAY JXF Distribution Box is a versatile and robust junction and distribution enclosure designed for electrical circuit branching, connection, and protection in various low-voltage applications. The “JXF” designation typically indicates a product line focused on junction (J), distribution (X), and enclosure/box (F) functions. It serves as a secure housing for electrical terminals, circuit protection devices, and connection points, facilitating organized and safe power distribution in residential, commercial, industrial, and outdoor settings.
Key Features
1. Durable Enclosure Construction:
-Made from high-quality, corrosion-resistant materials such as UV-stabilized polycarbonate (PC), fiberglass-reinforced polyester (FRP), or powder-coated galvanized steel, depending on the application environment.
2. High Degree of Protection (IP Rating):
-Commonly available with IP54, IP55, or IP65 ratings, making them suitable for damp, dusty, and outdoor environments (e.g., construction sites, gardens, industrial yards, building facades).
3. Modular & Flexible Interior:
-Equipped with DIN rails for easy mounting of modular electrical components (terminal blocks, MCBs, relays).
-Ample wiring space and multiple cable entry/exit points with knock-outs or PG glands for different cable diameters, ensuring neat and secure cable management.
Technical data table
| 规格 | 高 H | 宽 W | 深 D | Thickness of sheet metal | Structural Characteristics |
|---|---|---|---|---|---|
| 2520/14 | 250mm | 200mm | 140mm | 1.2/1.5 |
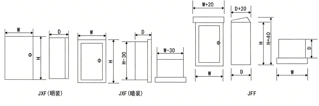
JXF 为明装和暗装两种,JFF 分为金属门和透视窗门两种,门板贴有密封橡皮条,防止雨水渗入。箱体配备有上下进出线孔和安装底板,进出线孔出厂已加装密封板,门开启角大于90°。JXF、JFF1 各有25种规格,JFF2 有18种规格。 |
| 3025/14 | 300mm | 250mm | 140mm | 1.2/1.5 | |
| 3025/18 | 300mm | 250mm | 180mm | 1.2/1.5 | |
| 3030/14 | 300mm | 300mm | 140mm | 1.2/1.5 | |
| 3030/18 | 300mm | 300mm | 180mm | 1.2/1.5 | |
| 4030/14 | 400mm | 300mm | 140mm | 1.2/1.5 | |
| 4030/20 | 400mm | 300mm | 200mm | 1.2/1.5 | |
| 5040/14 | 500mm | 400mm | 140mm | 1.2/1.5 | |
| 5040/20 | 500mm | 400mm | 200mm | 1.2/1.5 | |
| 5040/23 | 500mm | 400mm | 230mm | 1.2/1.5 | |
| 6040/14 | 600mm | 400mm | 140mm | 1.2/1.5 | |
| 6040/20 | 600mm | 400mm | 200mm | 1.2/1.5 | |
| 6040/23 | 600mm | 400mm | 230mm | 1.2/1.5 | |
| 6050/14 | 600mm | 500mm | 140mm | 1.2/1.5 | |
| 6050/20 | 600mm | 500mm | 200mm | 1.2/1.5 | |
| 6050/23 | 600mm | 500mm | 230mm | 1.2/1.5 | |
| 7050/16 | 700mm | 500mm | 160mm | 1.2/1.5 | |
| 7050/20 | 700mm | 500mm | 200mm | 1.2/1.5 | |
| 7050/23 | 700mm | 500mm | 230mm | 1.2/1.5 | |
| 8060/20 | 800mm | 600mm | 200mm | 1.2/1.5 | |
| 8060/23 | 800mm | 600mm | 230mm | 1.2/1.5 | |
| 8060/25 | 800mm | 600mm | 250mm | 1.2/1.5 | |
| 100080/20 | 1000mm | 800mm | 200mm | 1.2/1.5 | |
| 10080/25 | 1000mm | 800mm | 250mm | 1.2/1.5 | |
| 10080/30 | 1000mm | 800mm | 300mm | 1.2/1.5 |


